Уважаемые клиенты!
В связи с нестабильностью курса и поставок импортной продукции, просим Вас перед оплатой любого счета уточнять информацию о наличии, возможности отгрузки и актуальной цене у менеджеров.
Ситуация постоянно меняется.
Спасибо за понимание!
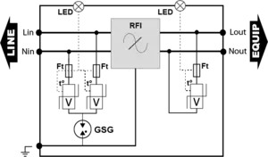
DS-HF, 77945, УЗИП Тип 2+3. Моноблочный последовательного включения со встроенным ВЧ фильтром. Imax=10kA, IL=16А
сертифицирован
от 20 000 Р
| Тип УЗИП | 2+3 |
| Сеть | 230 В однофазный |
| Конфигурация нейтрали | TT-TN |
| Номинальное напряжение линии | 230 Vac (Un) |
| Макс. AC рабочее напряжение | 255 Vac (Uc) |
| Макс. линейный ток | 16 A (IL) |
| Временное перенапряжение - 5 сек. | 335 В АС выдерживает (UT) |
| Временное перенапряжение - 120 мин. | 440 В АС отключение (UT) |
| Рабочий ток | < 1 mA (Ipe) |
| Сопровождающий ток | Отсутствует (If) |
| Номинальный ток разряда | 3 kA (In) |
| Макс. ток разряда | 10 kA (Imax) |
| Максимальный ток разряда | 10 kA (Imax Total) |
| Испытание комбинированной волной IEC 61643-11 | 10 kV (Uoc) |
| Стойкость к перенапряжению IEEE C62.41.1 | 10 kV |
| ВЧ фильтр | 0.1 - 30 MHz |
| Конфигурация подключения | L/N/PE |
| Режим(ы) защиты | MC / MD |
| Уровень защиты | 1 kV / 0.8 kV (Up) |
| Допустимый ток короткого замыкания | 10 000 A (Isccr) |
| Конфигурация УЗИП | Однофазный |
| Подсоединение к сети | зажим под винт: 0.75 - 4 мм² |
| Формат | Корпус со сменными модулями |
| Монтаж | Симметричная DIN - рейка 35 мм (DIN 60715) |
| Материал корпуса | Термопластик UL94 V-0 |
| Рабочая температура | -40/+85°C (Tu) |
| Уровень защиты | IP20 |
| Действие защиты | Отключение УЗИП - сигнализация |
| Индикатор отключения | Отключение одного или более зеленых светодиодов |
| Размеры | см. схему |
| Соответствие стандартам | IEC 61643-11 / EN 61643-11 / UL1449 изд.4 |
| Сертификация | EAC |
| Терморазмыкатель | внутренний |
| УЗО (если имеется) | Тип 'S' или замедленный |
| Плавкий предохранитель | Тип предохранителя gG - 20 A (если необходимо) |
| Артикул | Продукт | Цена |
|---|---|---|
| 461690 | Узип тип 2 + вч фильтр 120/208 в In 20kA Imax 40Ka | 4 743 руб. |
| 461590 | Узип тип 2 + вч фильтр 230/400 в In 20 Ka Imax 40kA | 4 743 руб. |
| 77948 | Узип тип 2+3. моноблочный последовательного включения со встроенным вч фильтром. Imax=10kA, il=16а | по запросу |
Отправка заказа после получения средств на счет.
Отправка заказа после получения средств на счет. Перевод можно осуществить через онлайн-банкинг.
Заказ можно оплатить картой Visa/MasterCard/МИР в нашем офисе.
Бесплатно доставляем заказы по г. Москва стоимостью от 20 000 Р
111024 г. Москва ул. Авиамоторная, д. 50, стр. 1, подъезд 1, подвал, дверь с надписью «ЭЛЕКТРОЛАЙН ЕВРОТЕХСТРОЙ»
На ваш выбор: СДЭК, Pony Express, ЖелДор, Деловые линии.
По запросу отправим любой транспортной компанией.



